Hlavní nabídka:

NUDV modulární

Vlastnosti

Mechanika 1145 standard

Mechanika 1155 antivandal

Připojení

NC-mod a klávesnice

Přídavný reproduktor

Spínač od jednoho tlačítka

Pomoc při instalaci FAQ

Připojení analogové kamery

Připojení IP kamery

Programování z osobního počítače

Dálkové programování

Nejčastější sestavy vrátného

Přehled firmware

Zvuková signalizace
Základní modul NUDV se dodává ve třech variantách – se dvěma tlačítky NUDV2, s jedním tlačítkem NUDV1 a bez tlačítek NUDV0.

Pro základní funkci stačí pouze připojit telefonní linku – svorka označená "a LINE". Připojuje se stejným způsobem jako kterýkoliv telefon na libovolnou pobočku ústředny. Obvody vrátného se napájí z telefonní linky, takže pro hlasovou komunikaci již není nutné nic připojovat.
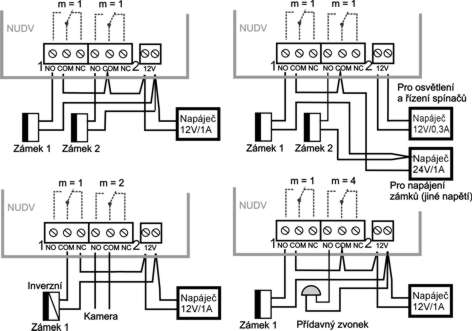
Pokud je třeba používat jeden nebo oba spínače, tak je nutné připojit na svorku "12V " střídavé napětí min. 10Vst - max. 15Vst nebo stejnosměrné napětí min. 12Vss max. - 18Vss. Zatížení tohoto zdroje záleží na počtu modulů, protože slouží zároveň k napájení prosvětlení vizitek – při max. počtu připojených modulů nepřekročí odběr 300mA. V případě zapnutí vytápění desky tento proud stoupne o 150mA. Tento zdroj lze použít zároveň pro napájení zámku(ů), pak je třeba počítat ještě s odběrem elektrického zámku. V většinou vyhoví střídavý napáječ 12V/1A.
Zapojení svorek kontaktů spínačů je na obrázku nahoře. Označení "NO" znamená v rozpojený kontakt, "COM" znamená společný vývod (střední) a "NC" znamená v klidu spojený kontakt. Kontakty obou spínačů jsou galvanicky izolované vzájemně i od ostatních obvodů vrátného. Varianty zapojení spínačů jsou na obrázku dole.

Svorka "G" Faston 2.8mm slouží k ochraně proti statické elektřině – nutno připojit na uzemnění.
Propojka "HEAT" slouží k zapnutí vytápění desky. Tato funkce vyžaduje připojení napájení 12V na svorce označené "12V"
Konektor označený "EXPANSION" slouží k připojení rozšiřujících modulů pomocí plochého kabelu.
Konektor označený "PRG" slouží pro nastavování vrátného z osobního počítače pomocí sériového kabelu (KAB) a při servisu pro diagnostiku aání nového firmware.
Propojka "SERVICE" slouží pro přímý přístup do programování, použití je např. když není známo heslo pro programování.
Nastavení hlasové komunikace – polohy trimrů jsou přednastaveny zýroby a ve většině případů vyhovují, proto změny nastavení provádějte jen vých případech.
Trimr "MIC" slouží k nastavení hlasitosti mikrofonu, trimr "SPK" slouží k nastavení hlasitosti reproduktoru. Véto verzi je velká rezerva vílení, proto není doporučeno nastavovat více než na polovinu, typické je v od minimálního zesílení. Trimr "TRH" slouží k nastavení úrovně aktivace mikrofonu, to znamená, aby vrátný „nehoukal“ vlivem akustické vazby tak se vybírá, který směr má přednost, zda od mikrofonu, nebo do reproduktoru. Úroveň od jaké hlasitosti se „zapne“ směr od mikrofonu vrátného se nastaví trimrem „TRH“. Toto nastavení ovlivňuje úroveň okolního hluku a nastavení zesílení mikrofonu „MIC“.
Postup nastavení: trimry MIC a SPK nastavte do ¼ od minimální hlasitosti (minimum je smysl otáčení doleva), trimr TRH nastavte do střední polohy. Při hovorovém spojení slabě mluvte a trimrem TRH otáčejte od střední hodnoty směrem doleva tak, až vás bude na straně telefonu (v budově) slyšet. Zesílení reproduktoru, případně mikrofonu dostavte podle potřeby.
