Hlavní nabídka:
Varianta NLLW - sandwich - je programově stejný, vlastnostmi trochu odlišný komunikátor NLLW
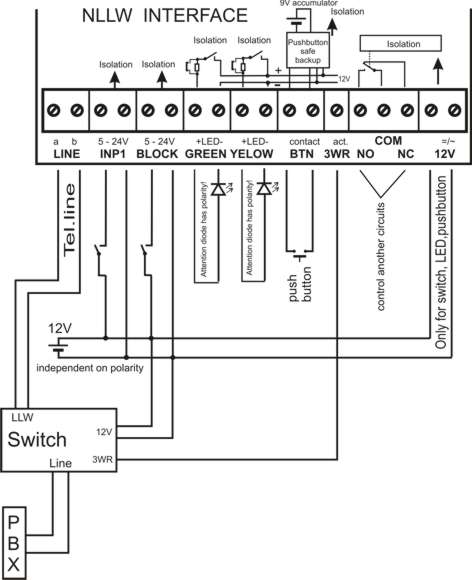
Návod v anglickém jazyku (jsou tam obrázky s připojením na svorky, až na nouzové tlačítko je vše stejné s NLLW)

NLLW sandwich - odlišnosti
pro funkci nouzového tlačítka je nutné mít připojeno 12V
nouzové tlačítko lze připojit na dlouhý vodič, je odolné proti rušení, lze spojovat tlačítka paraleleně
lze použít i rozpojovací tlačítko (mění se programově), pak se více tlačítek zapojuje sériověpro případ výpadku napájení 12V v kabině je nouzové tlačítko zálohováno vnitřním akumulátorem 9,6V
indikační LED (žárovky) se připojují přímo na svorky, není nutno je zapojovat v sérii se zdrojem
úroveň vysílání DTMF je nastavitelná přepínači +/- 4dB
Připojení ke svorkovnici:

Rozmístění prvků na desce NLLW sandwich
